
Lasers
SeaLaser® 100

Cost-effective laser solution with various connector options.
Underwater aiming
Scaling
Alignment
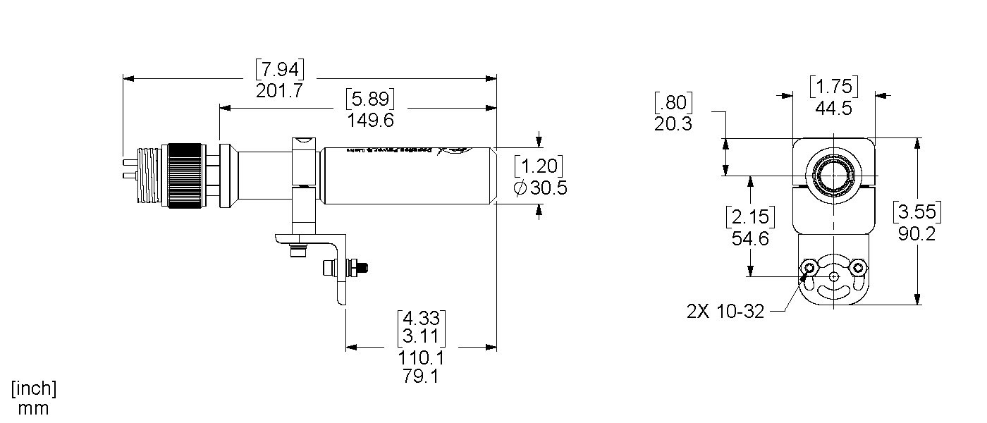
The SeaLaser® 100 features a 2,000 m depth rating, <5mW Class III-A semiconductor laser diode, Delrin® housing, and multiple connector options. Uses include underwater aiming, scaling, and alignment. This subsea laser has a long life, compact size, and wide input voltage.
Our subsea lasers use a <5 mW Class III-A semiconductor laser diode. The lasers have a long life, compact size, and wide input voltage. Applications include measurement, scaling, reference pointing, and aligning.
A mounting bracket is available to fit two lasers and a SeaCam. The two lasers are 10 cm apart and use either dots or lines to add scale to video or photographic images.
Up to 2 KM
depth rating
color
options
Compact
Size
- Specifications
- Drawings
- Documents & Downloads
Downloads
No Bracket
Single Bracket
Dual Bracket
Documents
Manuals & Specs

| SeaLaser® 100 | ||
|---|---|---|
| Laser | Red Laser | Green Laser |
| Type | Continuous Wave Semi-conductor laser diode Class III-A | |
| Beam Diameter | Elliptical 1.8 mm x 0.5 mm | Circular |
| Wavelength | 635 nm | 532 nm |
| Beam Divergence | 0.09 mRad x 0.19 mRad | <1.2 mRad |
| Beam Alignment | Beam runout 5 cm at 10 m (2 in. at 33 ft) max | |
| Beam Power | N/A | |
| Beam Type | Dot or Line | |
| Environmental | SeaLaser® 100 | |
| Depth Rating | 2,000 m | |
| Operational Temperature | Dot: 1°C to 30°C (32°F to 86°F) | Line: -10°C to 50°C (14°F to 104°F) |
| Electrical | SeaLaser® 100 | |
| Voltage | 7~27 VDC | |
| Current | 250 mA | |
| Mechanical | SeaLaser® 100 | |
| Housing | Acetal plastic (Delrin®) | |
| Port | Acrylic | |
| Outer Diameter | 149.6 mm (5.89 in) | |
| Overall Length without connector | 149.6 mm (5.89 in) | |
| Weight in Air | 330 g (0.73 lb) | |
| Weight in Water | 140 g (0.31 lb) | |
| Connector | BH2MP | |



