
Cameras
Wide-i SeaCam®

Perfect for day-to-day underwater applications.
Immersive viewing experience and FOV for improved situational awareness.
ROV piloting
Day-to-day applications
The Wide-i SeaCam® features a unique wide angle flat port optical design that can be flush mounted and reduce snag points. With a 125° horizontal field of view this fish-eye camera gives operators a immersive view of the surroundings. The WSC-4070 and WSC-3070 models feature a rugged titanium housing with a 6km depth rating and corrosion resistance suitable for long-term deployment. New real-time distortion correction reduces the fish-eye vignetting and barrel distortion compared to previous models.
Does your application require an even wider field of view?
The Super Wide-i SeaCam® has the widest image of any DeepSea camera product, extending to 185° on the diagonal without vignetting.
titanium housing
automatic
backlight
composite video output
optically polished glass
wide horizontal 125° FOV
6 KM
Depth rating
- Specifications
- Drawings
- Documents & Downloads
Downloads
Wide-i SeaCam®
Documents
Manuals & Specs
Catalog
Wide-i SeaCam®

| Wide-i SeaCam® | WSC-4070 | WSC-3070 |
|---|---|---|
| Image | ||
| Format | NTSC/PAL, Color | NTSC/PAL, Monochrome |
| Focus | Fixed | |
| FOV in Water | 125° horizontal | |
| Video | ||
| Image Sensor | 1/3.2″ 1.27MP CMOS | |
| Scene Illumination | 1.7 Lux | |
| Signal to Noise | 50 dB | |
| Environmental | ||
| Depth Rating | 6,000 m | |
| Operational Temperature | -10°C to 40°C [-14°F to 104°F] | |
| Storage Temperature | -30°C to 70°C [-22°F to 158°F] | |
| Mechanical | ||
| Housing | Titanium, Glass Flat Port | |
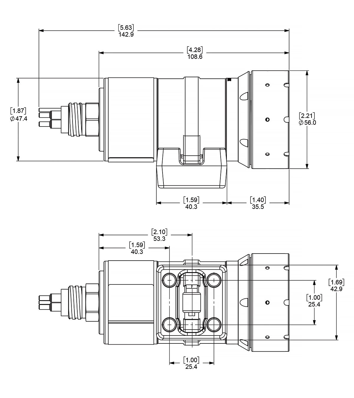
| Dimensions | DIA: 56.0mm [2.21″], LEN: 108.6mm [4.28″] | |
| Weight | TBD | |
| Electrical | ||
| Power | 10-36 VDC, 1.8 W max | |
| Video Signal | Composite, 1.0 Vp-p 75 ohm, unbalanced | |
| Default Connector* | SubConn MCBH4M | |
| Standard Pinout | 1: DC-, 2: DC+, 3: VID, 4: N/C | |
| *Contact Sales for more connector options | ||



