
Cameras
Super Wide-i SeaCam®

The widest image of any DeepSea camera product.
An impressive 150° HFOV in water.
ROV Piloting
Day-to-day applications
The Super Wide-i SeaCam® has the widest image of any DeepSea camera product, extending to 185° on the diagonal without vignetting. Active distortion correction reduces pinching along the edges of the image to provide consistent angular resolution across more of the field of view. Combined with a high resolution 1000 TVL sensor, nothing sees more than the Super Wide-i SeaCam.
titanium housing
automatic
backlight
composite video output
optically polished glass
wide horizontal 150° FOV
6 KM
Depth rating
- Specifications
- Drawings
- Documents & Downloads
Downloads
Super Wide-i SeaCam®
SRSEANETS
SUBH4MS
SUMCBH4MS
Documents
Manuals & Specs
Catalog
Super Wide-i SeaCam

| Super Wide-I SeaCam® | SWSC-4070 | SWSC-3070 |
|---|---|---|
| Image | ||
| Format | NTSC/PAL | NTSC/PAL, Monochrome |
| Focus | Fixed | |
| Field of View (Water) | 150° H x 120° V x 185° D | |
| Video | ||
| Image Sensor | 1/3.2″ 1.27 MP CMOS | |
| Scene Illumination | 0.5 Lux | |
| Signal to Noise | 50 dB | |
| Environmental | ||
| Depth Rating | 6000 m, 11000 m option | |
| Operational Temperature | –10 °C to 40 °C [–14 °F to 104 °F] | |
| Storage Temperature | –30 °C to 70 °C [–22 °F to 158 °F] | |
| Mechanical | ||
| Housing | Titanium, Glass Dome Port | |
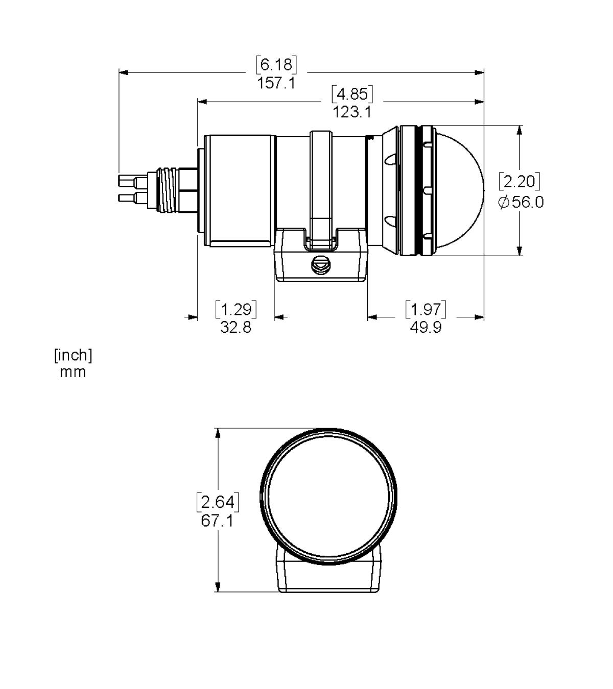
| Dimensions | DIA: 56.0 mm [2.20″], LEN: 123.1 mm [4.85″] | |
| Weight | Air: 0.49 kg [1.07 lbs.], Water: 0.26 kg [0.57 lbs.] | |
| Electrical | ||
| Power | 10–36 VDC, 1.8 W max | |
| Video Signal | Composite, 1.0 Vpp 75 Ω, unbalanced | |
| Default Connector | SubConn MCBH4M | |
| Standard Pinout | 1: DC–, 2: DC+, 3: VID, 4: N/C | |
| Please contact sales for more connector options | ||



